Geared

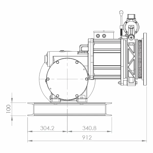
DR 10 DRUM TYPE

Additional Information

Model Load (in kg) Ratio Rope Power (KW) Power (HP)
DR 10 1500 50:1 10 mm / 13 mm 11 15

Technical Drawing